Nur für Gewerbetreibende

Abbildung ähnlich
Reyher

Gewindeschrauben messing vernickelt Liko 4x30mm Schlitz

GSR025-4030 4043952329207 00964.730.9040.030
auf Anfrage
je 100 St
keine Verfügbarkeitsinformationen

Verpackungseinheiten

200 St

Verkaufsdaten

Mindestbestellmenge 1 St
Bestellschritt 1 St

Zubehörempfehlung für Sie:

Beschreibung

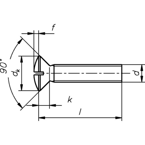
DIN 964 Messing galvanisch vernickelt Linsensenkschrauben mit Schlitz M 4 x 30 VE= 200 St DIN 964

Merkmale

Antrieb Schlitz mm
Schraubenlänge 30 mm
Kopfform Linsenkopf
Schraubenoberfläche galvanisch vernickelt
Schraubenmaterial Messing
Durchmesser 4 - 4 mm
Gewinde Vollgewinde
Abmessungen 4x30 mm
WhatsApp
Mail
Anrufen