Nur für Gewerbetreibende

Abbildung ähnlich
Reyher

Gewindeschrauben messing vernickelt Liko 5x80mm Schlitz

GSR025-5080 4043952329382 00964.730.9050.080
auf Anfrage
je 100 St
keine Verfügbarkeitsinformationen

Verpackungseinheiten

200 St

Verkaufsdaten

Mindestbestellmenge 1 St
Bestellschritt 1 St

Zubehörempfehlung für Sie:

Beschreibung

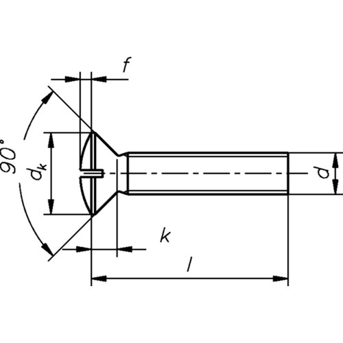
DIN 964 Messing galvanisch vernickelt Linsensenkschrauben mit Schlitz M 5 x 80 VE= 200 St DIN 964

Merkmale

Antrieb Schlitz mm
Schraubenlänge 80 mm
Kopfform Linsenkopf
Schraubenoberfläche galvanisch vernickelt
Schraubenmaterial Messing
Durchmesser 5 - 5 mm
Gewinde Vollgewinde
Abmessungen 5x80 mm
WhatsApp
Mail
Anrufen