Nur für Gewerbetreibende

Abbildung ähnlich
Hettich

HETTICH Rückwandverbinder RV 1, Zinkdruckguss vernickelt

HET890-01 4023149195587 19558
auf Anfrage
je 100 St
keine Verfügbarkeitsinformationen

Verpackungseinheiten

100 St

Verkaufsdaten

Mindestbestellmenge 1 St
Bestellschritt 1 St

Zubehörempfehlung für Sie:

Beschreibung

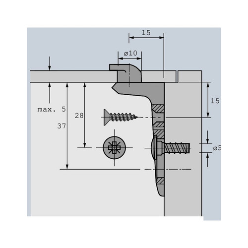
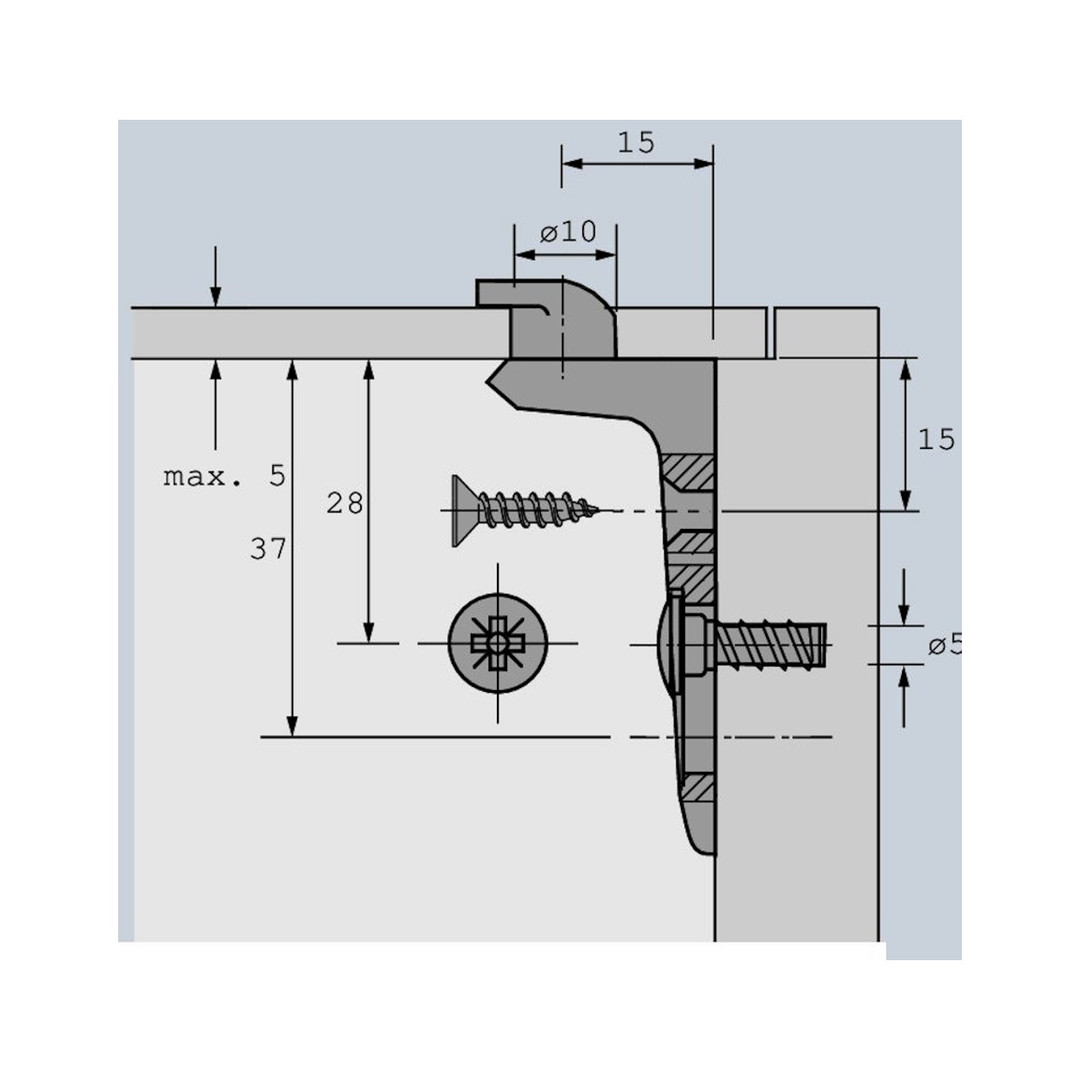
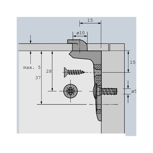
Rückwandverbinder RV 1, Zinkdruckguss vernickelt


Eigenschaften

  • Montierbar in Lochreihenbohrungen ø 5 mm
  • Die Rückwand wird mit dem Beschlag gegen die Korpusseite gezogen
  • Zinkdruckguss vernickelt
  • Einsetzbar im System 32


Hinweise

  • Direktbefestigungsschrauben bitte separat bestellen


Hersteller Link

Merkmale

Bohrdurchmesser 5 mm
Paketfähig J
Plattendicke (min) 5 mm
WhatsApp
Mail
Anrufen